YLRF SERIES
✔️ Application Scenario
YLRF series current sensing resistors are widely used in BMS, automotive electronics, and high-power industrial controls, ensuring precise and stable current measurement under extreme conditions.
✔️ Cooperation Case
A leading EV manufacturer adopted YLRF series alloy resistors for their battery management system, achieving ±0.5% tolerance and stable performance over 2000 thermal cycles.
✔️ R&D Technology
With electron-beam welded construction and Karma alloy, YLRF series achieves ultra-low TCR down to ±15ppm/℃, ensuring high precision and reliability for demanding applications.
✔️ Production Strength
Fully automated production lines and 100% electrical testing ensure consistent quality of YLRF series resistors, supporting annual output of over 500 million pieces.
✔️ Sales Volume
YLRF series has shipped over 200 million units globally, trusted by automotive and industrial customers for its stable performance and competitive lead times.
✔️ Stock Availability
YLRF series standard values (10mΩ, 50mΩ, 100mΩ) are in stock now with 3000pcs/reel, ready for immediate shipment worldwide
APPROVAL SHEET
YLRF SERIES
Version | Date | Description of amendment | Draft | Checked |
A1.0 | 09-Jul-2020 | First edition release | 罗国涛 | 胡紫阳 |
A1.1 | 05-Jan-2022 | Add the 3637 series | 罗国涛 | 胡紫阳 |
A1.2 | 11-Jan-2023 | Modify the durability test limit | 罗国涛 | 胡紫阳 |
A1.3 | 03-Mar-2023 | Update the pulse capability curve | 罗国涛 | 胡紫阳 |
A1.4 | 24-May-2024 | Update the resistance range corresponding to product accuracy and the tape size parameters | 蒋林帆 | 胡紫阳 |
A1.5 | 22-Oct-2025 | Increase the temperature drift TCR standard R: ±50 ppm/℃ | 鲁伟 | 曾庆煜 |
Low Resistance Metal Strip Chip Resistors
1.Product Description
Product name:YLRF series
Description:YLRF series alloy chip resistors provide precise current sensing with low TCR and high power, ideal for automotive and industrial applications.
1.1 Part Number Explanation
The part number of the high power precision resistor is identified by the type name, power, TCR,tolerance, size and resistance value.
Example: YLRF12-3-10F-L
Type | Size | Power | Resistance | Tolerance | TCR |
YLRF | 12=2512 37=3637
| 3=3W | 10=10mΩ | B=±0.1% D=±0.5% F=±1% | E=-50~0 G=-10~0 H=0~10 L=±10 M=±15 P=±20 N=±25 Q=±30 R=±50 |
(1) Type name: YLRF series
(2) Size:12=2512;37=3637
(3) Power Rating:3=3W
(4) Resistance:10=10mΩ
(5) Tolerance:B=±0.1%;D=±0.5%;F=±1%
(6) TCR:E=-50~0;G=-10~0;H=0~10;L=±10;M=±15;P=±20;N=±25;Q=±30;R=±50
1.2 Products & Recommend Pad Dimension

Unit/mm
Type | Resistance(mΩ) | W±0.2 | C±0.2 | A±0.2 | D±0.1 | E±0.2 | B±0.1 | T±0.2 |
YLRF12 | 5~200 | 6.35 | 3.2 | 0.9 | 0.8 | 0.5 | 0.8 | 0.8 |
YLRF37 | 2~200 | 9.14 | 9.4 | 2.2 | 0.8 | 1.5 | 0.8 | 1.6 |
Type | Resistance (mΩ) | L | a | c | b | t |
YLRF12 | 5~200 | 4.1 | 2.1 | 4 | 0.6 | 1.0 |
YLRF37 | 2~200 | 4.5 | 3.0 | 7.5 | 0.6 | 1.8 |
1.3 Item Construction
Electron-beam welded constructions

2. Standard Electrical Specifications
Type | Size | Rated Power(W) | Material | Resistance /mΩ | Resistance Tolerance (%) | TCR① (ppm/℃) | Operating Temperature |
P70℃ | |||||||
YLRF | 2512 | 2、3 | Karma | 5~19 | ±0.5% ±1% | E:-50~0 G:-10~0 H:0~10 L:±10 M:±15 P:±20 N:±25 Q:±30 | -65℃~170℃ |
20~50 *51~200 | ±0.1% ±0.5% ±1% | ||||||
3637 | 3、5 | 2~19 | ±0.5% ±1% | ||||
20~50 *51~200 | ±0.1% ±0.5% ±1% |
* Short Time Overload were tested with 2.5×Rated power for 10 s
① TCR(ppm/℃):Test was conducted from 20℃ to 120℃ while 20℃ worked as the reference.
3. Endurance Test
Items | Additional Requirements | Reference | Limits |
Temperature Cycling | 1000 Cycles (-55℃ to +150℃) | JESD22 Method JA-104 | ±0.5% |
ESD Test | 1) Direct Contact (DC): ±6kV; 2) Air Discharge (AD): ±12kV, ±16kV, ±25kV; | AEC-Q200 REV D June 1 | ±0.5% |
High Temperature Exposure | 1000hrs.@T=170℃.Unpowered. | MIL-STD-202 Method 108 | ±0.5% |
Moisture Resistance | t=24hrs/cycle.Note: Steps 7a & 7b not required. Unpowered. | MIL-STD-202 Method 106 | ±0.5% |
Biased Humidity | 1000hrs 85℃/85%RH。Note: Specified conditions:10% of operating power. | MIL-STD-202 Method 103 | ±0.5% |
Operational Life | Condition D Steady State TA=125℃ at rated power. | MIL-STD-202 Method 108 | ±0.5% |
Thermal Shock | 1000X(-55°C to +150°C) | MIL-STD-202Method107G | ±0.5% |
Solderability | 235℃±5℃,2s±0.5s | J-STD-202 | 95% Coverage Minimum |
Resistance to Soldering Heat | 260℃±5℃,10s±1s | MIL-STD-202 Method 210 | ±0.5% |
Short Time Overload | 5×Rated power for 5 s * 2.5×Rated power for 10 s | MIL-STD-202 Method 201 | ±0.5% |
Shock | 100g , 6ms , Orientation & Shock time: ±X, ±Y, ±Z; 3 times each orientation, total 18 times. | MIL-STD-202 Method 213 | ±0.5% |
Vibration | 5 g's for 20 min, 12 cycles each of 3 orientations. Note: Use 8"X5" PCB .031" thick 7 secure points on one long side and 2 secure points at corners of opposite sides. Parts mounted within 2" from any secure point. Test from 10-2000 Hz. | MIL-STD-202Method204 | ±0.5% |
4.Solder Reflow Temperature Condition

5.Power Derating Curve
6.Pulse Capability Curve
7.Pulse Capability Curve
8.Marking
Laser Marking:
· All the products marking are 3 or 4 digits. ‘R’ designates the decimal location in ohms
E.g., :
· 3mΩ= R003; 100mΩ=R100;1.5mΩ=1m50
Laser marking is default. If need white printed marking, pls contact Yezhan sales team.
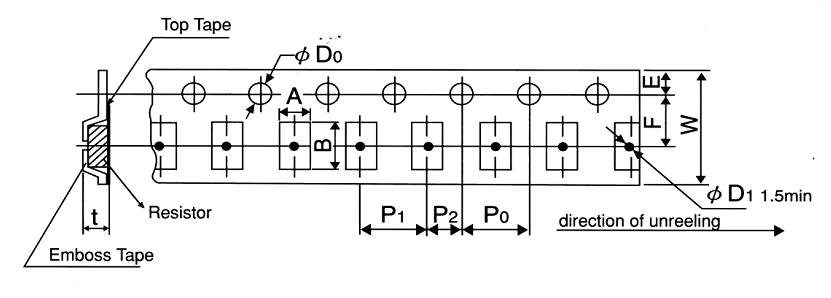
9.Packing
Storage Conditions: Storage Conditions: Temperature:5℃~35℃, Humidity:40%~75%
Packing Type:Embossed Plastic Tape
Type | A±0.2 | B±0.2 | W±0.3 | F±0.1 | E±0.1 | P1±0.1 | P2±0.1 | P0±0.1 | D0±0.1 | t±0.2 | Qty/reel |
YLRF12 | 3.45 | 6.65 | 12 | 5.5 | 1.75 | 4 | 2 | 4 | Φ1.5 | 1.15 | 3000 |
YLRF37 | 9.8 | 9.5 | 16 | 7.5 | 1.75 | 16 | 2 | 4 | Φ1.5 | 1.18 | 3000 |
Unit/mm
10.Reel & Tape Specifications

Unit/mm
Type | A±5 /mm | N±2 /mm | W1±1 /mm |
YLRF12 | 178 | 60 | 12 |
YLRF37 | 330 | 100 | 24 |
This document is a product specification. Contents are subject to change without notice.
© 2026 THUNDER PRECISION RESISTOR CO.,LTD. All Rights Reserved.








