YLRY-2512/1206 SERIES
The YLRY-2512/1206 series alloy chip resistors provide precise current sensing with low resistance from 0.5mΩ to 500mΩ, available in compact 1206 and 2512 sizes. Ideal for automotive and industrial applications requiring high power handling and stable performance across a wide temperature range (-55℃ to 170℃).
Featuring both standard and big terminal (K-type) options, this series supports high current ratings up to 80A for low-resistance applications such as motor drives, power supplies, and battery management systems, with excellent TCR stability (±50ppm to ±350ppm).
Designed for high-density PCB layouts, these resistors offer power ratings from 0.5W to 3W and include a 0mΩ jumper option for circuit bridging. Their electron-beam welded construction ensures durability under rigorous environmental and endurance tests.
Suitable for automotive electronics, the YLRY series meets industry standards for solderability, thermal shock, and insulation resistance, making it reliable for ECU, DC-DC converters, and current shunt applications in harsh operating conditions.
With tape-and-reel packaging supporting automated assembly, these resistors are ideal for volume production in consumer electronics, IoT devices, and industrial controls, offering consistent performance in space-constrained and high-current designs.
APPROVAL SHEET
YLRY-2512/1206 SERIES
Low Resistance Metal Strip Chip Resistors
Version | Date | Description of amendment | Draft | Checked |
A1.0 | 06-Jun-2025 | First edition release | 黄文强 | 王磊 |
A1.1 | 29-Dec-2025 | Adjust the resistance range of the YLRY12 pulse curve | 鲁伟 | 程子鹏 |
1.Product Description
Product name:YLRY-2512/1206 series
Description:YLRY-2512/1206 series alloy chip resistors provide precise current sensing with low TCR and high power, ideal for automotive and industrial applications.
1.1 Part Number Explanation
The part number of the high power precision resistor is identified by the type name, power, Terminal Size,tolerance, size and resistance value.
Example: YLRY12-3-1F-K
Type | Size | Power | Resistance | Tolerance | Terminal Size |
YLRY | 06=1206 12=2512 | W2=0.5W 1=1W 2=2W 3=3W | 1= 1mΩ 10=10mΩ 0=0mΩ |
D=±0.5% F=±1% G=±2% J=±5% Z=0mΩ | (Blank)= Standard Terminal K= Big Terminal
|
(1) Type name: YLRY series
(2) Size:06=1206;12=2512
(3) Power Rating:1=1W;2=2W;3=3W
(4) Resistance:1=1mΩ;10=10mΩ;0=0mΩ
(5) Tolerance:D=±0.5%;F=±1%;G=±2%;J=±5%;Z=0mΩ
(6) Terminal Size:(Blank)=Standard Terminal;K=Big Terminal
1.2 Products & Recommend Pad Dimension

Unit/mm
Type | Resistance | W±0.2 | C±0.2 | A±0.2 | D±0.2 | L | a | c |
YLRY06 | 0~6mΩ | 3.2 | 1.6 | 0.6 | 0.7 | 1.6 | 1.7 | 1.8 |
6.5~100mΩ | 0.55 | |||||||
YLRY12 | 0.5~500mΩ | 6.4 | 3.2 | 1.0 | 0.8±0.08 | 4.1 | 2.1 | 4 |
YLRY12-K | 0~4mΩ | 2.2 | 1.3 | 3.1 |
1.3 Item Construction
Electron-beam welded constructions

2. Standard Electrical Specifications
Type | Rated Power (W) | Resistance | Resistance Tolerance (%) | TCR① (ppm/℃) | Operating Temperature (℃) |
P70℃ | |||||
YLRY06 | 1 | 1~2.5 | D: ±0.5% F:±1% G:±2% J:±5% | ±350 | -55℃~170℃
|
3~100 | ±50 | ||||
YLRY12
| 2、3 | 0.5~1.5 | ±350 | ||
2~220 | ±50 | ||||
2 | 221~500 | ±50 | |||
YLRY12-K | 2、3 | 0.5~0.9 | ±350 | ||
1~4 | ±50 |
Type | Rated Power (W) | Resistance | Resistance Tolerance (%) | Max Rated Current (A)
| Operating Temperature (℃) |
P70℃ | |||||
YLRY06 | 1 | ≤0.2mΩ | Z:0mΩ Jumper | 70 | -55℃~170℃
|
YLRY12-K | 2、3 | ≤0.2mΩ | 80 |
① TCR(ppm/℃):Test was conducted from 20℃ to 120℃ while 20℃ worked as the reference.
3. Endurance Test
Items | Test Method (Refer to IEC 60115,60068;JIS-C 5201-1)
| Specifications and Requirements |
Temperature coefficient (TCR) Short Time Overload | Resistance values were measured at 25℃(T1, R1) and 125℃(T2, R2), and TCR was calculated as (R2-R1)/ (R1 (T2-T1)) *10^6 5 times rated power, maintain 5s | Refer to TCR specifications for physical features △R≤ ±(1%+0.05mΩ) |
Insulation resistance | Apply 100V±15V DC voltage between electrode and substrate, hold for 60 seconds, then measure insulation resistance | > 100 MΩ |
Withstand voltage | An alternating current with an effective value of the maximum overload voltage is applied between the electrode and the substrate at a rate of approximately 100V/S, maintaining 60±5s | No breakdown or arc |
solderability | 245℃±5℃ tin tank, hold 2s±0.5s | At least 95% of surface area of electrode shall be covered with new solder |
Resistance to Soldering Heat | 270℃±5℃ tin tank, hold for 10s±1s | △R≤± (0.5%+0.05mΩ),no visible damage |
Bending test | Bending distance 2mm, hold time 60s±5s | △R≤±(0.5%+0.05mΩ)no mechanical damage |
Solvent resistance | Isopropanol (IPA) at 23℃±5℃ for 10 hours | No obvious damage to appearance |
High Temperature Exposure | 170℃±2℃, 1000H, stand for 1H, test the resistance value | △R ≤± (1.0%+0.05mΩ) |
Low Temperature Exposure | -55℃±2℃, 1000H, stand for 1H, test the resistance value | △R ≤± (0.5%+0.05mΩ) |
Rapid change of Temperature | -55℃ 30 minutes ~ normal temperature 5 minutes ~155℃ 30 minutes, 1000 cycles | △ R ≤± (0.5%+0.05mΩ) |
Load Life | 70℃±2℃, 1000 hours, rated power, 1.5 hours on / 0.5 hours off | △R ≤± (1.0%+0.05mΩ) |
Moisture with Load | 85℃±2℃, 85%±3%RH, 1000 hours, rated power, 1.5 hours on / 0.5 hours off | △R≤± (1.0%+0.05mΩ) |
4.Solder Reflow Temperature Condition

5.Power Derating Curve
7. Pulse Capability Curve
8.Marking
White Printed Marking:
· All the products marking are 3 or 4 digits. ‘R’ designates the decimal location in ohms
E.g., :
· 0= 0mΩ jumper; 5mΩ=R005; 50mΩ=R050
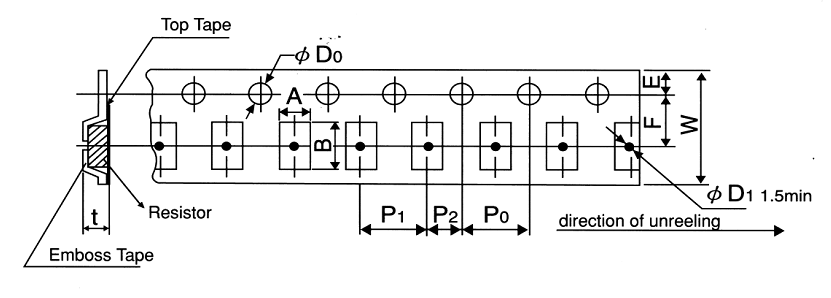
9.Packing
Storage Conditions: Storage Conditions: Temperature:5℃~35℃, Humidity:40%~75%
Storage life: 1 year;
Packing Type:Embossed Plastic Tape
Unit/mm
Type | A± 0.15 | B± 0.1 | W± 0.2 | F± 0.05 | E± 0.1 | P1± 0.1 | P2± 0.05 | P0± 0.05 | D0± 0.1 | t± 0.1 | Qty /reel |
YLRY 06 | 2 | 3.6 | 6.8 | 3.5 | 1.75 | 4 | 2 | 4 | Φ1.5 | 0.87±0.05 | 5000 |
YLRY 12 | 3.5 | 6.8 | 12 | 5.5 | 1.75 | 4 | 2 | 4 | Φ1.5 | 1 | 4000 |
YLRY 12-K | 3.5 | 6.8 | 12 | 5.5 | 1.75 | 4 | 2 | 4 | Φ1.5 | 1 | 4000 |
10.Reel & Tape Specifications
Unit/mm
Type | A | N | W1 |
YLRY 06 | 178±2 | 60±1 | 9±0.3 |
YLRY 12 | 178±2 | 60±1 | 13.3±0.5 |
YLRY 12-K | 178±2 | 60±1 | 13.3±0.5 |
This document is a product specification. Contents are subject to change without notice.
© 2026 THUNDER PRECISION RESISTOR CO.,LTD. All Rights Reserved.










